服务于冶金、化工、电力、市政
建筑楼宇、工业制造及机械配套等工程项目
一 产品概述
杭州邦瑞交流永磁同步电机专用变频软启是是应用电力电子微处理器控制技术和全数字速度控制,实现了永磁同步电机的变频软起动功能,并且所有参数均可显示于智能触摸屏上(标配)。该产品性能卓越、稳定、操作简单方便。广泛应用于各行业控制精度高、转矩响应速度快、低频输出有较高要求的交流永磁同步电机设备场合。
本装置利用变频技术实现永磁同步电机的平稳启动,电机达稳定状态后切入旁路接触器运行,此时装置待机保持监控状态,以大大提高装置的可靠性,并节省电能。
二、主要功能特点
1、 应用原理
应用电力电子电器件实现电流、速度双闭环控制,具有软起动(电流控制方式、电压控制等方式)、直接起动等,均能满足永磁同步电机的控制要求。
2、参数实现
该变频软起中所有参数连续可调,用户可以根据负荷情况控制电机按预先给定的曲线平滑起动。
3、转矩控制
通过对电流、转矩、功率的有效控制,避免了高起动转矩和过高的起动电流,一方面可以使工作机械不受电机起动过程中过大的加速转矩冲击,另一方面也使供电系统免受过大起动电流的冲击作用。对加速转矩进行一定的限制与控制,大大减轻了作用在被传送物体上的机械应力,减小了工作机械和传动装置的零部件磨损,从而达到了减少维护工作量、提高工作安全性能和延长设备的使用寿命等功效。
3、适用负载
永磁同步电机负载。
4、保护性能
变频软起自身的自诊断和保护功能齐全,起动、停止过程中具有温度、欠压、过压、欠流、过流、缺相、短路 故障、堵转、漏电、晶闸管故障等保护,因此,无论是外界还是内部产生的各类干扰、故障信号,都会因为上述保护功能的存在使得变频软起动器更为可靠运行。
5、报警指示
报警指示功能与故障类型一一对应,大大减少维护、维修工作量。
6、安装维护
结构简单,安装操作维护方便,它既可以就地控制,也能通过可编程序控制器(PLC)或其它设备对其进行远方控制。
三 产品选型

变频软启动-交流永磁同步电机对照表
四 产品主要性能指标
五 工作过程

(BFS6000运行时序图如上)
可以通过按面板上的运行键(外部运行时 P133=2)或按显示板上的运行键(显示板运行时P133=3),就投入运行。
变频软起动器运行的过程为开始时先闭合接触器2(K2)而启动永磁同步电机(PMSM),最后根据电网的相序运行。电机速度达到电网频率之后,变频软起动器能够保证自身的功率输出和电网电压、频率、相位的同步并运行一定时间之后使电机进入稳态。然后闭合接触器3,即电网和变频软起动器同时给电机供电。最后,断开接触器2(K2),即只有电网给电机供电。此时变频软起动器停止。要变频软起停止,按停止按钮或停止键就可以。此时,接触器2和接触器3断开。
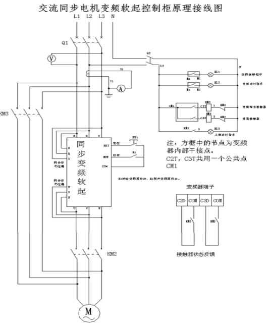
六 原理接线图
变频软启动的相序根据电源的相序决定,所以务必按照手册进行配线。
停止时,电机会被断电而自由停止。
变频软启动器的输出端必须加电抗器,否侧会导致硬件损坏。
杭州邦瑞交流永磁同步电机专用变频软启是是应用电力电子微处理器控制技术和全数字速度控制,实现了永磁同步电机的变频软起动功能,并且所有参数均可显示于智能触摸屏上(标配)。该产品性能卓越、稳定、操作简单方便。广泛应用于各行业控制精度高、转矩响应速度快、低频输出有较高要求的交流永磁同步电机设备场合。
本装置利用变频技术实现永磁同步电机的平稳启动,电机达稳定状态后切入旁路接触器运行,此时装置待机保持监控状态,以大大提高装置的可靠性,并节省电能。
二、主要功能特点
1、 应用原理
应用电力电子电器件实现电流、速度双闭环控制,具有软起动(电流控制方式、电压控制等方式)、直接起动等,均能满足永磁同步电机的控制要求。
2、参数实现
该变频软起中所有参数连续可调,用户可以根据负荷情况控制电机按预先给定的曲线平滑起动。
3、转矩控制
通过对电流、转矩、功率的有效控制,避免了高起动转矩和过高的起动电流,一方面可以使工作机械不受电机起动过程中过大的加速转矩冲击,另一方面也使供电系统免受过大起动电流的冲击作用。对加速转矩进行一定的限制与控制,大大减轻了作用在被传送物体上的机械应力,减小了工作机械和传动装置的零部件磨损,从而达到了减少维护工作量、提高工作安全性能和延长设备的使用寿命等功效。
3、适用负载
永磁同步电机负载。
4、保护性能
变频软起自身的自诊断和保护功能齐全,起动、停止过程中具有温度、欠压、过压、欠流、过流、缺相、短路 故障、堵转、漏电、晶闸管故障等保护,因此,无论是外界还是内部产生的各类干扰、故障信号,都会因为上述保护功能的存在使得变频软起动器更为可靠运行。
5、报警指示
报警指示功能与故障类型一一对应,大大减少维护、维修工作量。
6、安装维护
结构简单,安装操作维护方便,它既可以就地控制,也能通过可编程序控制器(PLC)或其它设备对其进行远方控制。
三 产品选型

变频软启动-交流永磁同步电机对照表
| 产品型号 | 电机功率(KW) |
| BFS6011 | 11 |
| BFS6015 | 15 |
| BFS6018 | 18.5 |
| BFS6022 | 22 |
| BFS6030 | 30 |
| BFS6037 | 37 |
| BFS6045 | 45 |
| BFS6055 | 55 |
| BFS6075 | 75 |
| BFS6090 | 90 |
| BFS6110 | 110 |
| BFS6132 | 132 |
| BFS6160 | 160 |
| BFS6200 | 200 |
| BFS6220 | 220 |
| BFS6250 | 250 |
| BFS6280 | 280 |
| BFS6315 | 315 |
| BFS6355 | 355 |
| BFS6400 | 400 |
四 产品主要性能指标
| 项目 | 内容 | |
| 输入 | 输入电压范围 | 三相 380V± 20% |
| 输入频率范围 | 50/60Hz | |
| 输出 | 输出电压范围 | 0-额定电压 |
| 转化模式 | 50Hz转化同步 | |
|
控 制 性 能 |
控制模式 | V/F控制 |
| 运行指令 | 面板给定、端子给定、通讯给定 | |
| 频率给定方式 | 数字给定、模拟量给定、串行通讯给定、多段速给定及简易PLC给定、PI给定等,可以实现给定方式的组合和方式切换 | |
| 频率分辨率 | 0.01 Hz | |
| 载波频率 | 1000 Hz---6000 Hz | |
| 启动转矩 | 0.5Hz150% | |
| 转矩提升 | 0~10%可调,自动转矩提升 | |
| 过载能力 | 150%额定电流60S, 180%额定电流10S, | |
| 加减速时间 | 0.1~999.9秒 | |
| PI调节器控制功能 | 可方便实现过程量(如压力、温度、流量等)的闭环控制系统 | |
| 多段速 | 实现8段速控制功能 | |
| 无电跨越功能 | 瞬间掉电保证电机正常工作 | |
| 电压补偿功能 | 利用电源电压补偿功能,可在额定电压80%~110%范围内设定 | |
| 自动电压调整功能 | 电网电压波动时,输出电压基本不变 | |
| 自动滤波功能 | 独特的设计方式实现强大的自动滤波功能,使污染降低到最小 | |
| 制动 | 能耗制动,直流制动 | |
| 保护功能 | 过流、短路、过载、接地、过压、欠压、过热 | |
| 故障存储功能 | 自动显示并保存故障代码,方便分析现场故障原因 | |
| 通讯功能 | 采用标准485通讯接口,可实现Modbus上位机控制议,兼容各种控制系统的要求 | |
| 标准功能 | PI控制,及外部端子控制 | |
|
人机 界面 |
LED显示 | 可显示输入输出频率、电压、电流有效值及故障代码等 |
| 功能键盘 | 可用于面板选择参数、修改参数等设定 | |
| 环境 | 使用场所 | 无尘埃、腐蚀性气体、可燃性气体、油雾、水蒸气、滴水、盐等室内运行 |
| 存储温度 | -25~+65℃ | |
| 海拔高度 | 1000米以下,超过1000米降容使用 | |
| 运行温度 | -10~+45℃ | |
| 相对湿度 | 20-90%RH以下(不 结 雾) | |
| 振动 | 0.5G以下 | |
五 工作过程

(BFS6000运行时序图如上)
可以通过按面板上的运行键(外部运行时 P133=2)或按显示板上的运行键(显示板运行时P133=3),就投入运行。
变频软起动器运行的过程为开始时先闭合接触器2(K2)而启动永磁同步电机(PMSM),最后根据电网的相序运行。电机速度达到电网频率之后,变频软起动器能够保证自身的功率输出和电网电压、频率、相位的同步并运行一定时间之后使电机进入稳态。然后闭合接触器3,即电网和变频软起动器同时给电机供电。最后,断开接触器2(K2),即只有电网给电机供电。此时变频软起动器停止。要变频软起停止,按停止按钮或停止键就可以。此时,接触器2和接触器3断开。
六 原理接线图
变频软启动的相序根据电源的相序决定,所以务必按照手册进行配线。
停止时,电机会被断电而自由停止。
变频软启动器的输出端必须加电抗器,否侧会导致硬件损坏。


